MÜÜGISAAL ON KÜLASTUSTEKS AVATUD E-R 8.5 - 15.00.  KAUPADE VÄLJASTUS LAOST E-R 8.15 - 17.00

 

AvalehtTootedKäepidemedLükanduste käepidemete lukustatavad komplektidLükandukse süviskäepideme lukustatav komplekt CLASSIC KIT, ümar VK MU/RAL9005

Lükandukse süviskäepideme lukustatav komplekt CLASSIC KIT, ümar VK MU/RAL9005

Küsi saadavust
Tootekood: LUKBOC VK Ms/MU
Pinnakate: matt must
Hind (km-ga): 31.33 €
Ühik: kmpl
Lisainfo:

Toormaterjal lukuraamil: teras, espiplaat messing

Toormaterjal käepidemel: roostevaba teras AISI-304

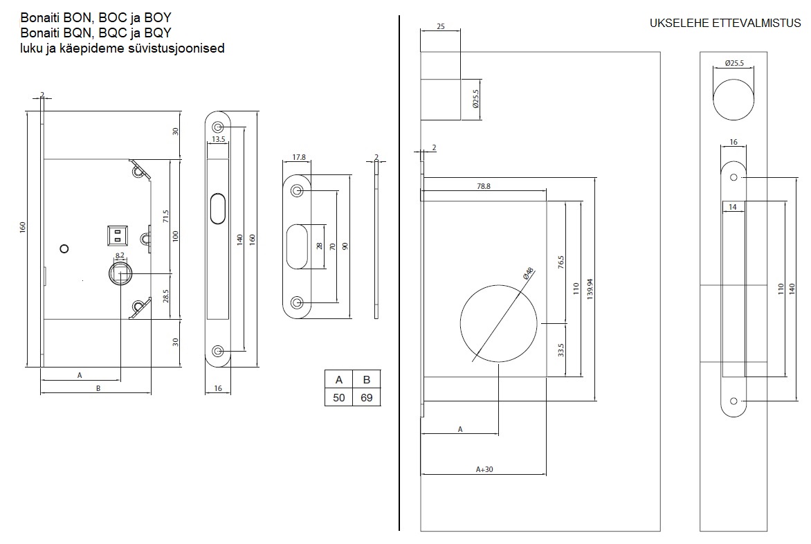
Lukustatav käepideme komplekt sobib kasutamiseks puidust sise-, lükand- ja voldikustel.

Esiplaadi laius lukukorpusel: 16 mm

Backset ehk tapikaugus lukukorpusel: 50 mm

Backset on mõõt lukukorpuse esitahvlist kuni südamiku ava keskpunktini või mõõt ukse servast kuni südamiku jaoks süvistatud ava keskpunktini

Monteerimiseks soovitame kasutada silikooni, mis tagab kindlama püsivuse.

Komplekti kuulub: lukukorpus + vastus, lükandukse haaraja, võtmekilp ja lihtvõti

Dokumendid: 1969_Fitting-instruction_EST.jpg (105.00 KB)